首页公司简介轴承大全应用领域轴承超市销售网络联系我们 加入收藏 设为首页
  •  产品导航
  • 高温轴承

    深沟球轴承

    微型轴承

    调心球轴承

    偏心轴承

    调心滚子轴承

    圆柱滚子轴承

    外球面轴承

    外球面轴承带座

    外球面轴承座

    冲压轴承座

    滚针轴承

    角接触球轴承

    非标轴承

    英制轴承

    圆锥滚子轴承

    平面滚子轴承

    推力球轴承

    推力滚子轴承

    不锈钢轴承

    叉车轴承

    单向轴承

    杆端轴承

    关节轴承

    滚轮轴承

    含油轴承

    滑块轴承

    离合器轴承

    罗拉轴承

    汽车轴承

    丝杠轴承

    塑料轴承

    特种轴承

    直线导轨

    直线轴承

    转盘轴承

    组合轴承

    紧定套

    退卸套

    部分式轴承座

    NSK轴承

    NTN轴承

    SKF轴承

    FAG轴承

    KOYO轴承

    IKO轴承

    INA轴承

    TIMKEN轴承

  • 产品展示 / Product
  • GE100ES-2RS轴承、GE110ES-2RS轴承、GE120ES-2RS轴承、GE140ES-2RS轴承、GE160ES-2RS轴承、GE180ES-2RS轴承、GE200ES-2RS轴承、GE220ES-2RS轴承、GE240ES-2RS轴承、GE260ES-2RS轴承、GE280ES-2RS轴承、GE300ES-2RS轴承
    ·产品材质:轴承钢
    ·产品产地:山东
    ·产品价格:¥.00(需电联价格)
    ·网上报价:¥.00(需电联价格)
    ·生产厂家:临清达瑞轴承制造有限公司
    ·联系人:王洪旗
    ·联系电话:13562012537 18366426352
    ·联系邮件:daruizc@163.com
    ·邮政编码:252665
    ·公司地址:山东省临清烟店工业园
  • 详细介绍

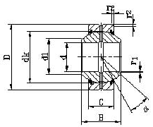
  • 轴承型号
    外形尺寸
    额定载荷
    重量 (kg)
    d
    D
    B
    C
    dk
    rs min
    rls min
    动载荷
    静载荷
    GE5E
    5
    14
    6
    4
    10
    0.3
    0.3
    13
    3.4
    17
    0.005
    GE6E
    6
    14
    6
    4
    10
    0.3
    0.3
    13
    3.4
    17
    0.004
    GE8E
    8
    16
    8
    5
    13
    0.3
    0.3
    15
    5.5
    27
    0.008
    GE10E
    10
    19
    9
    6
    16
    0.3
    0.3
    12
    8.1
    40
    0.011
    GE12E
    12
    22
    10
    7
    18
    0.3
    0.3
    10
    10
    53
    0.015
    GE15ES
    GE15ES-2RS 
    15
    26
    12
    9
    22
    0.3
    0.3
    8
    16
    84
    0.027
    GE17ES
    GE17ES-2RS 
    17
    30
    14
    10
    25
    0.3
    0.3
    10
    21
    106
    0.041
    GE20ES
    GE20ES-2RS 
    20
    35
    16
    12
    29
    0.3
    0.3
    9
    30
    146
    0.066
    GE25ES
    GE25ES-2RS 
    25
    42
    20
    16
    35.5
    0.6
    0.6
    7
    48
    240
    0.119
    GE30ES
    GE30ES-2RS 
    30
    47
    22
    18
    40.7
    0.6
    0.6
    6
    62
    310
    0.153
    GE35ES
    GE35ES-2RS 
    35
    55
    25
    20
    47
    0.6
    1
    6
    79
    399
    0.233
    GE40ES
    GE40ES-2RS 
    40
    62
    28
    22
    53
    0.6
    1
    7
    99
    495
    0.306
    GE45ES
    GE45ES-2RS 
    45
    68
    32
    25
    60
    0.6
    1
    7
    127
    637
    0.427
    GE50ES
    GE50ES-2RS 
    50
    75
    35
    28
    66
    0.6
    1
    6
    156
    780
    0.546
    GE55ES
    GE55ES-2RS 
    55
    85
    40
    32
    74
    0.6
    1
    7
    200
    1000
    0.939
    GE60ES
    GE60ES-2RS 
    60
    90
    44
    36
    80
    1
    1
    6
    245
    1220
    1.04
    GE70ES
    GE70ES-2RS 
    70
    105
    49
    40
    92
    1
    1
    6
    313
    1560
    1.55
    GE80ES
    GE80ES-2RS 
    80
    120
    55
    45
    105
    1
    1
    6
    400
    2000
    2.31
    GE90ES
    GE90ES-2RS 
    90
    130
    60
    50
    115
    1
    1
    5
    488
    2440
    2.75
    GE100ES
    GE100ES-2RS 
    100
    150
    70
    55
    130
    1
    1
    7
    607
    3030
    4.45
    GE110ES
    GE110ES-2RS 
    110
    160
    70
    55
    140
    1
    1
    6
    654
    3270
    4.82
    GE120ES
    GE120ES-2RS 
    120
    180
    85
    70
    160
    1
    1
    6
    950
    4750
    8.05
    GE140ES
    GE140ES-2RS 
    140
    210
    90
    70
    180
    1
    1
    7
    1070
    5350
    11.02
    GE160ES
    GE160ES-2RS 
    160
    230
    105
    80
    200
    1
    1
    8
    1360
    6800
    14.01
    GE180ES
    GE180ES-2RS 
    180
    260
    105
    80
    225
    1.1
    1.1
    6
    1530
    7650
    18.65
    GE200ES
    GE200ES-2RS 
    200
    290
    130
    100
    250
    1.1
    1.1
    7
    2120
    10600
    28.03
    GE220ES
    GE220ES-2RS 
    220
    320
    135
    100
    275
    1.1
    1.1
    8
    2320
    11600
    35.51
    GE240ES
    GE240ES-2RS 
    240
    340
    140
    100
    300
    1.1
    1.1
    8
    2550
    12700
    39.91
    GE260ES
    GE260ES-2RS 
    260
    370
    150
    110
    325
    1.1
    1.1
    7
    3030
    15190
    51.54
    GE280ES
    GE280ES-2RS 
    280
    400
    155
    120
    350
    1.1
    1.1
    6
    3570
    17850
    65.06
    GE300ES
    GE300ES-2RS 
    300
    430
    165
    120
    375
    1.1
    1.1
    7
    3800
    19100
    78.07
    copyright © 临清达瑞轴承制造有限公司   制作维护:华轴网
  • 公司名称:
    临清达瑞轴承制造有限公司
    公司地址:
    山东省临清市烟店工业园
    手机:
    13562012537 18366426352
  • 营业执照:
    371581200000752
    税号:
    372502675548410
    代码:
    67554841-0
    联系人:
    王洪旗
    邮编:
    252665
  • 开户行:
    中国农业银行临清市支行新颖分理处
    帐号:
    816801040002227
    农行卡:
    62284 8132 16849 72119(王洪旗)
    工行卡:
    622202 161100 1699 290(王洪旗)
    建行卡:
    6222 8022 8230 1637 615(王洪旗)