
产品导航
高温轴承
深沟球轴承
微型轴承
调心球轴承
偏心轴承
调心滚子轴承
圆柱滚子轴承
外球面轴承
外球面轴承带座
外球面轴承座
冲压轴承座
滚针轴承
角接触球轴承
非标轴承
英制轴承
圆锥滚子轴承
平面滚子轴承
推力球轴承
推力滚子轴承
不锈钢轴承
叉车轴承
单向轴承
杆端轴承
关节轴承
滚轮轴承
含油轴承
滑块轴承
离合器轴承
罗拉轴承
汽车轴承
丝杠轴承
塑料轴承
特种轴承
直线导轨
直线轴承
转盘轴承
组合轴承
紧定套
退卸套
部分式轴承座
NSK轴承
NTN轴承
SKF轴承
FAG轴承
KOYO轴承
IKO轴承
INA轴承
TIMKEN轴承![]() |
|
||||||||||||||||||||||
![]() | ![]() | |
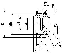
轴承型号 | 外形尺寸 | 额定载荷 | 重量 (kg) | |||||||||
d | D | B | C | dk | rs min | rls min | 动载荷 | 静载荷 | ||||
GE5E | 5 | 14 | 6 | 4 | 10 | 0.3 | 0.3 | 13 | 3.4 | 17 | 0.005 | |
GE6E | 6 | 14 | 6 | 4 | 10 | 0.3 | 0.3 | 13 | 3.4 | 17 | 0.004 | |
GE8E | 8 | 16 | 8 | 5 | 13 | 0.3 | 0.3 | 15 | 5.5 | 27 | 0.008 | |
GE10E | 10 | 19 | 9 | 6 | 16 | 0.3 | 0.3 | 12 | 8.1 | 40 | 0.011 | |
GE12E | 12 | 22 | 10 | 7 | 18 | 0.3 | 0.3 | 10 | 10 | 53 | 0.015 | |
GE15ES | GE15ES-2RS | 15 | 26 | 12 | 9 | 22 | 0.3 | 0.3 | 8 | 16 | 84 | 0.027 |
GE17ES | GE17ES-2RS | 17 | 30 | 14 | 10 | 25 | 0.3 | 0.3 | 10 | 21 | 106 | 0.041 |
GE20ES | GE20ES-2RS | 20 | 35 | 16 | 12 | 29 | 0.3 | 0.3 | 9 | 30 | 146 | 0.066 |
GE25ES | GE25ES-2RS | 25 | 42 | 20 | 16 | 35.5 | 0.6 | 0.6 | 7 | 48 | 240 | 0.119 |
GE30ES | GE30ES-2RS | 30 | 47 | 22 | 18 | 40.7 | 0.6 | 0.6 | 6 | 62 | 310 | 0.153 |
GE35ES | GE35ES-2RS | 35 | 55 | 25 | 20 | 47 | 0.6 | 1 | 6 | 79 | 399 | 0.233 |
GE40ES | GE40ES-2RS | 40 | 62 | 28 | 22 | 53 | 0.6 | 1 | 7 | 99 | 495 | 0.306 |
GE45ES | GE45ES-2RS | 45 | 68 | 32 | 25 | 60 | 0.6 | 1 | 7 | 127 | 637 | 0.427 |
GE50ES | GE50ES-2RS | 50 | 75 | 35 | 28 | 66 | 0.6 | 1 | 6 | 156 | 780 | 0.546 |
GE55ES | GE55ES-2RS | 55 | 85 | 40 | 32 | 74 | 0.6 | 1 | 7 | 200 | 1000 | 0.939 |
GE60ES | GE60ES-2RS | 60 | 90 | 44 | 36 | 80 | 1 | 1 | 6 | 245 | 1220 | 1.04 |
GE70ES | GE70ES-2RS | 70 | 105 | 49 | 40 | 92 | 1 | 1 | 6 | 313 | 1560 | 1.55 |
GE80ES | GE80ES-2RS | 80 | 120 | 55 | 45 | 105 | 1 | 1 | 6 | 400 | 2000 | 2.31 |
GE90ES | GE90ES-2RS | 90 | 130 | 60 | 50 | 115 | 1 | 1 | 5 | 488 | 2440 | 2.75 |
GE100ES | GE100ES-2RS | 100 | 150 | 70 | 55 | 130 | 1 | 1 | 7 | 607 | 3030 | 4.45 |
GE110ES | GE110ES-2RS | 110 | 160 | 70 | 55 | 140 | 1 | 1 | 6 | 654 | 3270 | 4.82 |
GE120ES | GE120ES-2RS | 120 | 180 | 85 | 70 | 160 | 1 | 1 | 6 | 950 | 4750 | 8.05 |
GE140ES | GE140ES-2RS | 140 | 210 | 90 | 70 | 180 | 1 | 1 | 7 | 1070 | 5350 | 11.02 |
GE160ES | GE160ES-2RS | 160 | 230 | 105 | 80 | 200 | 1 | 1 | 8 | 1360 | 6800 | 14.01 |
GE180ES | GE180ES-2RS | 180 | 260 | 105 | 80 | 225 | 1.1 | 1.1 | 6 | 1530 | 7650 | 18.65 |
GE200ES | GE200ES-2RS | 200 | 290 | 130 | 100 | 250 | 1.1 | 1.1 | 7 | 2120 | 10600 | 28.03 |
GE220ES | GE220ES-2RS | 220 | 320 | 135 | 100 | 275 | 1.1 | 1.1 | 8 | 2320 | 11600 | 35.51 |
GE240ES | GE240ES-2RS | 240 | 340 | 140 | 100 | 300 | 1.1 | 1.1 | 8 | 2550 | 12700 | 39.91 |
GE260ES | GE260ES-2RS | 260 | 370 | 150 | 110 | 325 | 1.1 | 1.1 | 7 | 3030 | 15190 | 51.54 |
GE280ES | GE280ES-2RS | 280 | 400 | 155 | 120 | 350 | 1.1 | 1.1 | 6 | 3570 | 17850 | 65.06 |
GE300ES | GE300ES-2RS | 300 | 430 | 165 | 120 | 375 | 1.1 | 1.1 | 7 | 3800 | 19100 | 78.07 |